■ 产品应用
工作频率:50Hz-60Hz
额定电流:5A-2000A
工作电压:220V-10KV
温升:≤95K
噪音:≤65dB
三相平衡度:-5%…+5%
抗电强度:core-winding3000VAC/50Hz/5mA/10s free of arcing breakage(ftested in factory)
绝缘电阻:1000VDC,insulation resistance≥100MΩ
防护等级:IP00-IP20
失调系数:5,67%,7%,14%
性能范围:5Kvar…100kvar
监控:temperature switch is integrated,contacts are fitted on terminals.
环境温度/热绝缘等级:ta40℃/F,H
安装海拔高度:≤2000m above sea level
存储温度:-25℃…+55℃
运输温度:-25℃…+70℃
允许的额定湿度:humidity 5%…95% occasional condensation permissible
■ 执行标准
■ 成品识别码

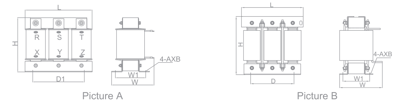
■ 产品尺寸图

p=5.67%;L=恒定;不超过1.82·Ithmax;fRES=210Hz
产品型号 | 图号 | 补偿容量 (Kvar) | 电感系数 (mH) | 外形尺寸 (L*W*H) | 安装尺寸 (D1*W1) | 额定电流 (A) | 连接 K=端子 F=母排 | 单台的 近似总量(KG) |
ATR002800400SA05.67X | A | 5 | 6.12 | 195*100*210 | 120*72 | 8.0 | K | 3.7 |
ATR004300400SA05.67X | A | 7.5 | 4.081 | 195*100*210 | 120*92 | 12.0 | K | 5 |
ATR005700400SA05.67X | A | 10 | 3.06 | 195*150*165 | 120*92 | 16.0 | K | 6.4 |
ATR007100400SA05.67X | A | 12.5 | 2.45 | 195*165*165 | 120*112 | 20.0 | K | 9.1 |
ATR0085000400SA05.67X | A | 15 | 2.04 | 195*165*165 | 120*112 | 24.0 | K | 9.3 |
ATR011300400SA05.67X | A | 20 | 1.53 | 230*160*185 | 150*95 | 32.0 | K | 13 |
ATR014200400SA05.67B | A | 25 | 1.22 | 250*165*200 | 182*95 | 40.0 | K | 18.3 |
ATR017000400SA05.67B | B | 30 | 1.02 | 250*170*200 | 182*105 | 50.0 | F | 18 |
ATR022700400SA05.67B | B | 40 | 0.77 | 250*180*200 | 182*115 | 65.0 | F | 25.3 |
ATR028400400SA05.67B | B | 50 | 0.61 | 290*185*220 | 214*118 | 80.0 | F | 34.1 |
ATR034000400SA05.67B | B | 60 | 0.51 | 290*200*200 | 214*128 | 95.0 | F | 35.6 |
ATR045400400SA05.67B | B | 80 | 0.38 | 320*205*285 | 243*130 | 130.0 | F | 42 |
ATR051000400SA05.67B | B | 90 | 0.34 | 320*210*310 | 243*135 | 145.0 | F | 47 |
ATR056700400SA05.67B | B | 100 | 0.31 | 320*220**310 | 243*140 | 160.0 | F | 51.9 |
P=7%;L=恒定;不超过1.66·Ithmax,fRES=189Hz
产品型号 | 图号 | 补偿容量 (Kvar) | 电感系数 | 外形尺寸 (L*W*H) | 安装尺寸 (D1*W1) | 额定电流 (A) | 连接 K=端子 F=母排 | 单台的近 似总重(KG) |
ATR003500400SA07X | A | 5 | 7.2 | 195*100*210 | 120*72 | 7.5 | K | 3.3 |
ATR005300400SA07X | A | 7.5 | 5 | 195*100*210 | 120*92 | 11 | K | 4.8 |
ATR007000400SA07X | A | 10 | 3.8 | 195*150*165 | 120*92 | 15 | K | 5.9 |
ATR008800400SA07X | A | 12.5 | 3 | 195*165*165 | 120*112 | 19 | K | 8.6 |
ATR010500400SA07X | A | 15 | 2.5 | 195*165*165 | 120*112 | 23 | K | 8.8 |
ATR014000400SA07X | A | 20 | 1.8 | 230*160*185 | 150*95 | 30 | K | 12.8 |
ATR017500400SA07B | B | 25 | 1.4 | 250*165*200 | 182*95 | 38 | K | 19.1 |
ATR021000400SA07B | B | 30 | 1.2 | 250*170*200 | 182*105 | 45 | F | 19.6 |
ATR028000400SA07B | B | 40 | 0.95 | 250*180*200 | 182*115 | 60 | F | 24.7 |
ATR035000400SA07B | B | 50 | 0.75 | 290*185*220 | 214*118 | 75 | F | 26.5 |
ATR042000400SA07B | B | 60 | 0.62 | 290*200*220 | 214*128 | 90 | F | 34.1 |
ATR056000400SA07B | B | 80 | 0.46 | 320*205*285 | 243*130 | 122 | F | 40 |
ATR063000400SA07B | B | 90 | 0.43 | 320*210*310 | 243*135 | 130 | F | 45 |
ATR070000400SA07B | B | 100 | 0.37 | 320*220*310 | 243*140 | 150 | F | 50 |
P=14%;L=恒定;不超过1.4·Ithmax,fRES=189Hz
产品型号 | 图号 | 补偿容量 (Kvar) | 电感系数 | 外形尺寸 (L*W*H) | 安装尺寸 (D1*W1) | 额定电流 (A) | 连接 K=端子 F=母排 | 单台的近 似总量(KG) |
ATR007000400SA14X | A | 5 | 16.6 | 195*120*210 | 120*92 | 7 | K | 5.1 |
ATR010500400SA14X | A | 7.5 | 11.1 | 195*120*210 | 120*112 | 10 | K | 8.1 |
ATR014000400SA14X | A | 10 | 8.29 | 195*120*210 | 120*112 | 14 | K | 9.4 |
ATR017500400SA14X | A | 12.5 | 6.63 | 195*120*210 | 120*112 | 18 | K | 12 |
ATR021000400SA14X | A | 15 | 5.53 | 250*165*200 | 182*95 | 21 | K | 16 |
ATR028000400SA14X | A | 20 | 4.14 | 250*185*200 | 182*115 | 30 | K | 18 |
ATR035000400SA14B | B | 25 | 3.32 | 290*150*210 | 214*113 | 35 | K | 28 |
ATR042000400SA14B | B | 30 | 2.76 | 290*185*220 | 214*118 | 42 | K | 26 |
ATR056000400SA14B | B | 40 | 2.07 | 290*215*280 | 214*118 | 56 | F | 35.2 |
ATR070000400SA14B | B | 50 | 1.66 | 3320*230*275 | 243*135 | 70 | F | 37.2 |
ATR084000400SA14B | B | 60 | 1.38 | 320*230*310 | 243*135 | 85 | F | 51.1 |
ATR112000400SA14B | B | 80 | 1.04 | 375*250*320 | 260*165 | 110 | F | 54 |
ATR126000400SA14B | B | 90 | 0.92 | 375*250*320 | 260*165 | 125 | F | 58 |
ATR140000400SA14B | B | 100 | 0.829 | 375*265*360 | 260*175 | 140 | F | 62 |